Skip to content
This repository was archived by the owner on Sep 4, 2022. It is now read-only.

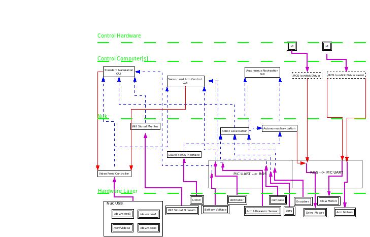
Node Overview

Harry J E Day edited this page Apr 30, 2015 · 6 revisions

This page contains an overview of how all the computing parts of the project fit together. Nodes Diagram(Full Sized Image) (Dia File)


Key

  • Blue dashed line - ROS Topic (information)

  • Red line - ROS Topic (command)

  • Purple Line - Hardware connection (E.g. serial BUS)

  • Dashed Box - ROS node provided by ROS

  • Double Lined Box - Hardware Component

  • Single Lined Box - OWR ROS Node


Note: The diagram is not yet complete, most ROS topic names, along with some nodes are missing. RoS topics may be grouped


##Nodes

###Navigation GUI ros_node: navigation_gui

ros_package: owr_gui

issues: #28 , #56

inputs:

Topic Type
/owr/status/battery owr_messages/bat_status
/owr/status/signal owr_messages/signal
/owr/sensors/containers owr_messages/containers
TODO: add camera in TODO

outputs:

Topic Type
/owr/control/activateFeed owr_messages/stream

Clone this wiki locally