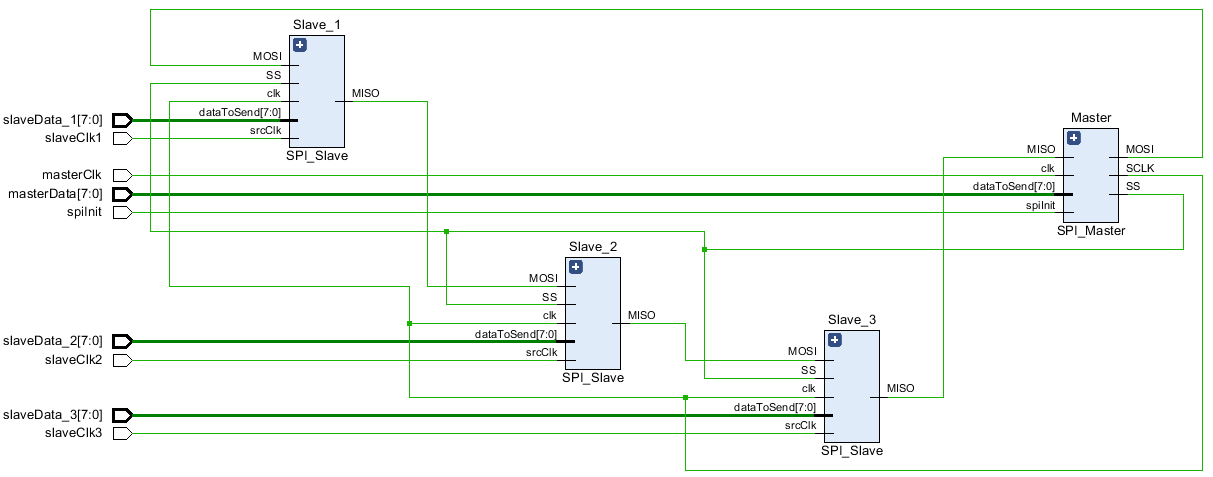
Implemented a configurable Daisy Chain Full-Duplex SPI Communication Protocol that supports the following customizations:
• Varying slave SCLK periods with a frequency dividing prescaler module
• Configurable Data frame width for different slave architectures
I made the Project on Vivado Design Suite Version: 2019.1



